| Standards : DIN 7991 - ISO 10642
- UNI 5933 |
| |
 |
| |
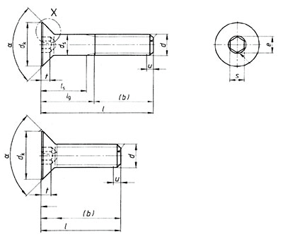
| Technical Data: |
| |
| d |
P |
b |
dk max. |
ds max. |
e min. |
k |
s |
t max. |
| 3 |
0.5 |
12 |
6 |
3 |
2.3 |
1.7 |
2 |
1.2 |
| 4 |
0.7 |
14 |
8 |
4 |
2.87 |
2.3 |
2.5 |
1.8 |
| 5 |
0.8 |
16 |
10 |
5 |
3.44 |
2.8 |
3 |
2.3 |
| 6 |
1 |
18 |
12 |
6 |
4.58 |
3.3 |
4 |
2.5 |
| 8 |
1.25 |
22 |
16 |
8 |
5.72 |
4.4 |
5 |
3.5 |
| 10 |
1.5 |
26 |
20 |
10 |
6.86 |
5.5 |
6 |
4..4 |
| 12 |
1.75 |
30 |
24 |
12 |
9.15 |
6.5 |
8 |
4.6 |
|
| |
|